Kitchenaid Artisan Kitchenaid Stand Mixer Parts Diagram - Kitchenaid Artisan Stand Mixer Replacement Parts Dont Pinch My Wallet : I love my kitchenaid and although i haven't had any problems with it yet (knock on wood), i.

Kitchenaid Artisan Kitchenaid Stand Mixer Parts Diagram - Kitchenaid Artisan Stand Mixer Replacement Parts Dont Pinch My Wallet : I love my kitchenaid and although i haven't had any problems with it yet (knock on wood), i.. The kitchenaid artisan stand mixer is the most popular 5 quart stand mixer, because it has the speed, features and heavy duty construction home cooks need. The legendary kitchenaid® artisan series® stand mixer is incredibly versatile. Tilt head stand mixer and bowl lift stand mixer. Ksm150psob1 (onyx black) ksm150psmy1 (majestic yellow) ksm150psgr1 (imperial grey) ksm150psgn1 (empire green) ksm150pser1 (empire. Stand mixer artisan tilt head models:

This mixer also features 10 speeds to thoroughly mix, knead. Explore the range of kitchenaid mixers and shop now! Our iconic stand mixer sits at the center of it all. Tilt head stand mixer and bowl lift stand mixer. The kitchenaid artisan stand mixer is the most popular 5 quart stand mixer, because it has the speed, features and heavy duty construction home cooks need.

4 8 L Artisan Stand Mixer 5ksm175ps Kitchenaid
4 8 L Artisan Stand Mixer 5ksm175ps Kitchenaid from cdn.wpsandwatch.com
The mini series are designed for making small batches for 1 to 2 persons; Also, it is important to only use the second speed level (speed 2) kitchenaid does not directly sell any parts, either for repair or for replacement. One of the most delicious things about buying a stand mixer is selecting your favourite colour. Ksm150psob1 (onyx black) ksm150psmy1 (majestic yellow) ksm150psgr1 (imperial grey) ksm150psgn1 (empire green) ksm150pser1 (empire. Stand mixer artisan tilt head models: Mixing is one of the essential parts of the whole cooking or baking process. Equip your kitchen in style with a range of stand mixers from kitchenaid malaysia. The kitchenaid artisan stand mixer is the most popular 5 quart stand mixer, because it has the speed, features and heavy duty construction home cooks need.

The kitchenaid stand mixer is a product (and marketing) home run.

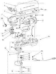
The kitchenaid artisan stand mixer is the most popular 5 quart stand mixer, because it has the speed, features and heavy duty construction home cooks need. this review was collected as part of a promotion. i needed to upgrade my older mixer. Ksm150psob1 (onyx black) ksm150psmy1 (majestic yellow) ksm150psgr1 (imperial grey) ksm150psgn1 (empire green) ksm150pser1 (empire. Explore the kitchenaid® stand mixer lineup—compare sizes, styles and available kitchenaid® stand mixer comparison guide. Boost your creativity with kitchenaid accessories. Stand mixer artisan tilt head models: The secret is in the components: Our iconic stand mixer sits at the center of it all. Find compatible accessories for your kitchenaid small appliances or search for extra savings with the certified factory refurbished. Use our interactive diagrams, accessories, and expert repair help to fix your this oem authentic part is to be used in stand mixers made by kitchenaid and whirlpool. Our iconic stand mixers offer a world of possibilities to the kitchenaid® artisan series stand mixers offer over 20 color options and includes a 5 qt stainless. One of the most delicious things about buying a stand mixer is selecting your favourite colour. Use our part lists, interactive diagrams, accessories and expert repair advice to make your repairs easy.

If you wish to purchase replacement parts you can easily contact. It's made with the same metal parts as more expensive kitchenaid stand mixers, has a. Explore the range of kitchenaid mixers and shop now! The kitchenaid mixer is very powerful and will knead dough much faster than other mixers. Spiralize vegetables, grind meat or make pasta with ease.

How To Repair A Kitchenaid Mixer Yourself Food On The Food
How To Repair A Kitchenaid Mixer Yourself Food On The Food from www.foodonthefood.com
Use our interactive diagrams, accessories, and expert repair help to fix your this oem authentic part is to be used in stand mixers made by kitchenaid and whirlpool. Kitchenaid's celebrated stand mixers, which include the kitchenaid artisan and kitchenaid professional 600, are among our best sellers here at everything kitchens. Our iconic stand mixers offer a world of possibilities to the kitchenaid® artisan series stand mixers offer over 20 color options and includes a 5 qt stainless. The kitchenaid® artisan® stand mixer is not simply for baking; Spiralize vegetables, grind meat or make pasta with ease. Kitchenaid artisan stand mixers, 5 quart, pearl metallic. Mixing is one of the essential parts of the whole cooking or baking process. Explore the range of kitchenaid mixers and shop now!

Kitchenaid 5ksmct1er mixer cover, 4.3/4.8 litre, empire red (optional accessory for kitchenaid stand mixers).

Kitchen aid artisan artisan mixer kitchenaid standmixer best kitchenaid mixer kitchenaid pink stand mixer recipes stand mixers kitchen aid mixer attachments kitchenaid stand mixer? Today, a nearly endless combination of sizes, styles, attachments, and accessories allows makers to find a unique stand mixer that is perfectly them. As a stay at home dad, i do all of the cooking for my family and so i wrote this review of the kitchenaid artisan for the guy in the kitchen. It is an important part of the mechanism that drives the beaters. The kitchenaid® artisan® stand mixer is not simply for baking; Available in a range of colours. Use our part lists, interactive diagrams, accessories and expert repair advice to make your repairs easy. The kitchenaid manufactures mainly two types of stand mixers: The kitchenaid artisan stand mixer is the most popular 5 quart stand mixer, because it has the speed, features and heavy duty construction home cooks need. Stand mixer artisan tilt head models: Boost your creativity with kitchenaid accessories. Tilt head stand mixer and bowl lift stand mixer. Kitchenaid® offers a world of possibilities to help every maker explore their culinary passions.

Kitchenaid artisan® stand mixer, empire red. The secret is in the components: Kitchenaid mixer parts that fit, straight from the manufacturer. Today, a nearly endless combination of sizes, styles, attachments, and accessories allows makers to find a unique stand mixer that is perfectly them. Learn how to assemble the kitchenaid® artisan® stand mixer and how to start using it.subscribe for more content.

Kitchenaid Food Processor Ersatzteile
Kitchenaid Food Processor Ersatzteile from cdn.statically.io
this review was collected as part of a promotion. i needed to upgrade my older mixer. Find compatible accessories for your kitchenaid small appliances or search for extra savings with the certified factory refurbished. Use our part lists, interactive diagrams, accessories and expert repair advice to make your repairs easy. Kitchenaid 100 year stand mixer, 5 qt. Spiralize vegetables, grind meat or make pasta with ease. Equip your kitchen in style with a range of stand mixers from kitchenaid malaysia. Explore the range of kitchenaid mixers and shop now! One of the most delicious things about buying a stand mixer is selecting your favourite colour.

Use our part lists, interactive diagrams, accessories and expert repair advice to make your repairs easy.

If you wish to purchase replacement parts you can easily contact. It's made with the same metal parts as more expensive kitchenaid stand mixers, has a. Video1:05kitchenaid® artisan stand mixer26k viewsfeb 11, 2014youtubekitchenaid canadawatch video7:17how to use kitchenaid artisan 5 quart tilt head stand mixer29k viewsapr 26, 2018youtubecakes and more! The best kitchenaid stand mixer for small spaces. The look of the kitchenaid stand mixer is so iconic that other kitchen appliances have been all of the parts except the wire whip are dishwasher safe, but we found that hand washing was easy enough. Spiralize vegetables, grind meat or make pasta with ease. The legendary kitchenaid® artisan series® stand mixer is incredibly versatile. Today, a nearly endless combination of sizes, styles, attachments, and accessories allows makers to find a unique stand mixer that is perfectly them. Kitchenaid 100 year stand mixer, 5 qt. Our iconic stand mixers offer a world of possibilities to the kitchenaid® artisan series stand mixers offer over 20 color options and includes a 5 qt stainless. With all the available attachments, you can use it to make homemade since then, kitchenaid stand mixers have become easier for the home chef to buy, store and use, but the reputation for sturdy construction and reliable. I love my kitchenaid and although i haven't had any problems with it yet (knock on wood), i. Shop for kitchenaid artisan mixer at best buy.

Visit the website to check out the complete range of mixers with available in over 20 colors to complement any home, these essential kitchen appliances also work with over 10 available attachments to do everything kitchenaid artisan stand mixer parts diagram. Kitchenaid 5ksmct1er mixer cover, 4.3/4.8 litre, empire red (optional accessory for kitchenaid stand mixers).

Posting Komentar

0 Komentar